Автоклуб БУСОВОД Магазин тюнинга

Назад   Автоклуб БУСОВОД > Технічні форуми бусоводів > Opel, Renault, Nissan > Технічна документація на Renault Trafic, Nissan Primastar, Оpel Vivaro (до 2019 р), Fiat Talento II: > Технічна документація на електрику

59 - 60 схема системи вприскування F9Q - страница №1 - Технічна документація на електрику

Зачинена тема
 
Параметри теми Параметри перегляду
Старий 15.03.2022, 18:52 #1
Аватар для vitos svp
vitos svp vitos svp зараз поза форумом
Местный
 
 

Звідки Ви: Україна, Бердянськ

Авто: Trafic 2011, L2H1, G9U630, PF6 (012) + Каngoo II, 1,6b

Вік: 52
Дописи: 3.172
Вы сказали Спасибо: 2.757
Поблагодарили 1.937 раз(а) в 911 сообщениях
Репутація: 0
vitos svp vitos svp зараз поза форумом
Местный
Аватар для vitos svp

Звідки Ви: Україна, Бердянськ
Авто: Trafic 2011, L2H1, G9U630, PF6 (012) + Каngoo II, 1,6b
 
Вік: 52
Дописи: 3.172
Вы сказали Спасибо: 2.757
Поблагодарили 1.937 раз(а) в 911 сообщениях
Репутація: 0
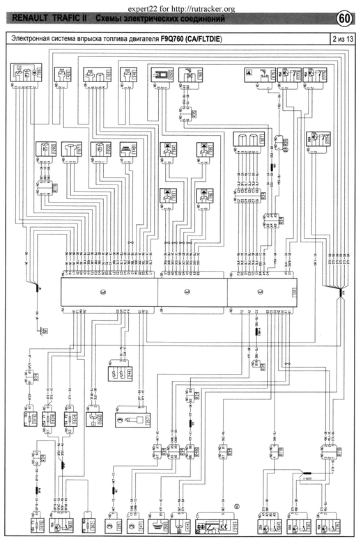
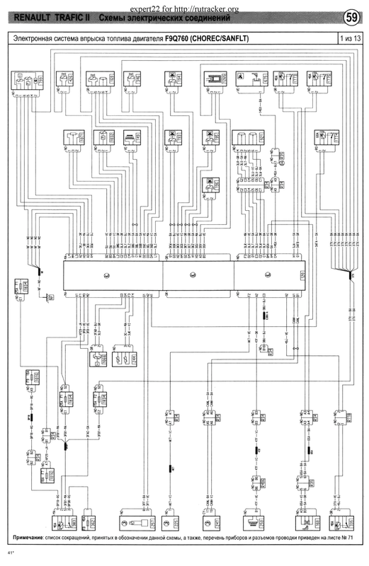
Типово 59 - 60 схема системи вприскування F9Q

59 - 60 схема системи вприскування F9Q - Пост 467549 - Фото 1

59 - 60 схема системи вприскування F9Q - Пост 467549 - Фото 2

59 - 60 схема системи вприскування F9Q - Пост 467549 - Фото 3
vitos svp зараз поза форумом   Вгору
Зачинена тема


Тут присутні: 1 (учасників - 0 , гостей - 1)
 

Ваші права у розділі
Ви не можете створювати теми
Ви не можете писати дописи
Ви не можете долучати файли
Ви не можете редагувати дописи

BB-код є Увімк.
Усмішки Увімк.
[IMG] код Увімк.
HTML код Вимк.

Швидкий перехід

Схожі теми
Тема Автор Розділ Відповідей Останній допис
61 - 63 схема системи вприскування палива G9U vitos svp Технічна документація на електрику 0 15.03.2022 18:51
64-71 схема системи вприскування М9R vitos svp Технічна документація на електрику 0 15.03.2022 18:48
105 - схема навігаційної системи vitos svp Технічна документація на електрику 0 14.03.2022 07:18


Облако тегов
busovod busovod.ua cdi двигатель cdi дизель citroen nemo отзывы fiat scudo отзывы hdi двигатель opel vivaro отзывы opel vivaro расход топлива opel vivaro форум renault trafic отзывы Бусовод автоаптечка авториа бусовод бусовод ком юа бусовод опель виваро бусовод форум виваро забилась канализация замена ремня грм рено трафик 1.9 мерседес вито форум опель виваро форум отзывы о опель виваро отзывы о рено трафик отзывы опель виваро отзывы рено трафик пежо експерт пежо експерт форум расход топлива рено трафик регулировка карбюратора китайской бензопилы рено мастер форум рено трафик рено трафик отзывы рено трафик расход топлива рено трафик форум ситроен джампер форум ситроен немо ситроен немо отзывы тюнинг рено трафик тюнинг форд транзит фиат скудо отзывы фиат скудо форум форум бусоводов форум мерседес вито форум опель виваро форум рено трафик чебурашка на украинском чебурашка по украински

 


Часовий пояс GMT +2. Поточний час: 14:58.


vBulletin 3.8.11 ; Copyright © 2000-2026 Jelsoft Enterprises Limited
Переклад: © Віталій Стопчанський, 2004-2010
busovod_ua©